理論と現実
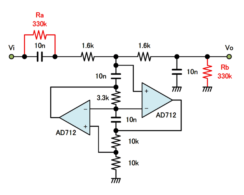
若いころGICフィルターを学んだ時に、入力端と出力端のキャパシタに並列に接続されている抵抗の意味が分からなくて悩んだ。何故なら理論的には存在しないからである。でも現実的には必要らしいが説明が無い。だいぶ経って見つけたのがOPアンプの入力バイアス補償のため。なるほど。



この様に理論と現実の回路には違いが色々ある。理論には登場しない何気ない抵抗やキャパシタの存在。そして部品の選定やプリント基板上での配置。ここに最高の秘密がありノウハウがある。
最初に僕が勤めたのはポンプメーカーの子会社。水道局で使う巨大なポンプを工場で良く目にしていた。ポンプは羽を回すだけの簡単な原理であるが、現実のポンプの周りには毛細血管の様な細い配管が色々貼られており、さらに何かの小さな装置も付いている。
聞くと注油や、軸の冷却や、さらに羽が作る圧力で羽自身が押されるのを中和する装置だそうだ。それを聞いて設計者達は良く気づいたものだと関心した。ここに技ありと。
この実物を触った人で無いと気づかないノウハウとその工夫。今日本のアナログエンジニアが減って、その知恵が失われつつある様に思う。


