コンテンツへスキップ
ナビゲーションに移動
新着情報
製品
ベンチトップ型 光源
ベンチトップ型 SLD光源
組込み型 光源
組込み型 DFB-LD光源
組込み型 変調ポート付 DFB-LD光源
組込み型 10GHz RFポート付DFB-LD光源
組込み型 SLD光源
組込み型 高出力LDドライバ
LNバイアス製品
Quad点ロックLNバイアスボード
QuadロックLNバイアスボード 住友大阪セメント製専用
オーダーメイド製品
13.56MHz 1kW電源
波長ロックボード
APDバイアスボード
高ダイナミックレンジ・フォトディテクタ
FP-LD光源(DC~10MHzファンクション入力)カスタム
オーディオ製品
MUSES72320評価ボード
MUSES72320の開発を容易にするサービス
オンラインショップ
技術日記
お問合せ
会社案内
投稿
HOME
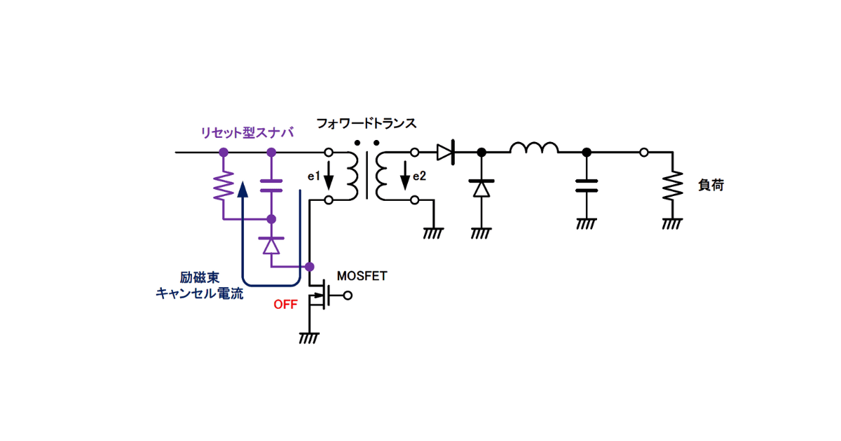
フォワード式DCDCコンバータのスナバ回路1
251106_アイキャッチ
2025/11/06
/ 最終更新日時 :
2025/11/06
remff
251106_アイキャッチ
MENU
新着情報
製品
ベンチトップ型 光源
ベンチトップ型 SLD光源
組込み型 光源
組込み型 DFB-LD光源
組込み型 変調ポート付 DFB-LD光源
組込み型 10GHz RFポート付DFB-LD光源
組込み型 SLD光源
組込み型 高出力LDドライバ
LNバイアス製品
Quad点ロックLNバイアスボード
QuadロックLNバイアスボード 住友大阪セメント製専用
オーダーメイド製品
13.56MHz 1kW電源
波長ロックボード
APDバイアスボード
高ダイナミックレンジ・フォトディテクタ
FP-LD光源(DC~10MHzファンクション入力)カスタム
オーディオ製品
MUSES72320評価ボード
MUSES72320の開発を容易にするサービス
オンラインショップ
技術日記
お問合せ
会社案内
PAGE TOP