GaNのリニア応用1
最近パワーエレクトロニクスで注目を浴びているGaNデバイス。スルーレートは10万V/μsと超高速でまた耐圧も有ります。これをリニアで使うとどうなるのかを検証してみました。使ったのは写真1のGaNsystems社のGS61008Pです。スペックは次の通りです。
・GS61008P
・Vds:100V
・ID:90A@25℃
・ONres:7mΩ@25℃
・Vth:1.3V

[写真1]
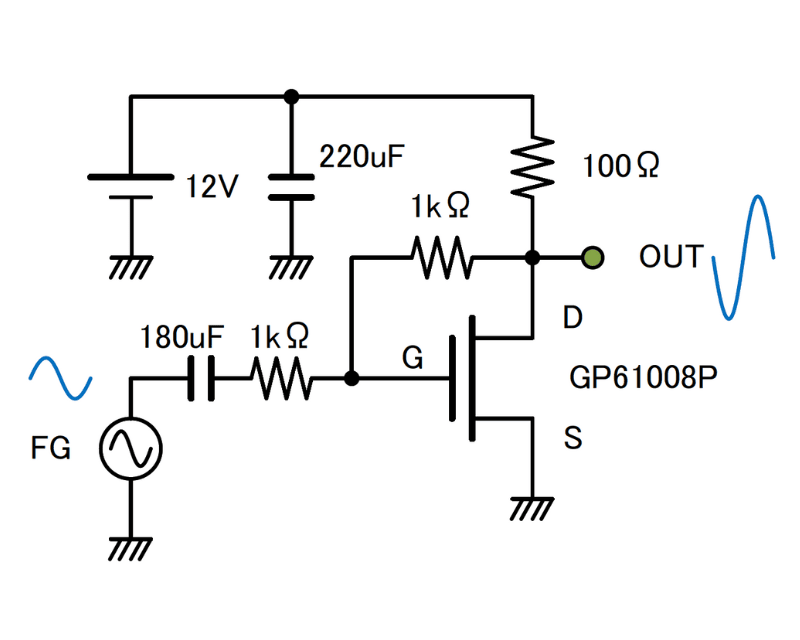
回路は図1の簡単な自己バイアス式です。ご覧の様に簡単に動きました。写真2は1kHzの正弦波での波形で、写真3は方形波です。写真を撮り忘れましたが、HP8131Aによる超高速方形波でも波形崩れすることなくとても綺麗でした。

[図1]


[写真2]
[写真3]


